
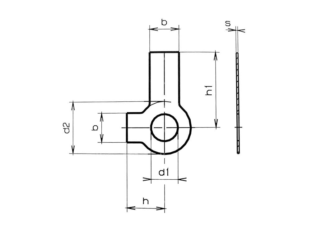
Rondella di sicurezza zincata con 2 linguette per il fissaggio di dadi e bulloni.
Prendere le seguenti misure dalla Figura 2:
| Ø interno | 10.5 mm |
| Ø esterno | 21 mm |
| Larghezza | 10 mm |
| Materiale | Acciaio |
| Superficie | zincato (blu) |
| Lunghezza totale | 13 mm |
| Diametro nominale (filettatura) | 10 mm |
| Numero di lobi | 2 Stk |
| Dimensione della filettatura | M10 |
| Lunghezza 2 | 22 mm |
| Spessore | 0.75 mm |
| Larghezza 2 | 10 mm |
Gli appassionati di ciclomotori hanno anche acquistato
Connettore candela BERU 1 kΩ interferenze soppresse
Produttore: BERU · Materiale: Lamiera (acciaio) · Colore: argento · Ø cavo: 5 mm · Ø cavo: 7 mm · Presa per candela: M4 · Cavo disponibile: No · Soppresso: Sì · Resistenza: 1000 Ω · Sottocategoria: Connettore della candela · Numero OEM Pony: A2099 · Sachs OEM no.: 0265 100 00
EUR 10.50
Motorex Olio motore automatico (ATF) 450 ml
Produttore: Motorex · Contenuti: 450 ml · Tipo di cambio: Macchina automatica · Resistenza alla temperatura (min.): -45 - 200 °C · Area di applicazione: Lubrificazione del cambio con frizione · Numero OEM Pony: A2080 · Sachs OEM no.: 0263 014 002
EUR 13.00
EUR 28.89/l
guarnizione coperchio cambio swiing® revival | Sachs 503 AAL, ABL, AB, AC, ADV, 2AL, 2BL (A1888)
Produttore: parti di rilancio swiing® · Larghezza: 130 mm · Materiale: Carta per sigilli · Colore: color sabbia · Lunghezza totale: 200 mm · Numero di componenti: 1 Stk · Spessore: 0.35 mm · Numero di punti di fissaggio: 6 Stk · Numero OEM Pony: A1888 · Sachs OEM no.: 0250 150 000
EUR 6.45
swiing® montaggio pignone revival M12x1 (dado e rondella elastica) | Sachs / Hercules
Produttore: parti di rilancio swiing® · Materiale: Acciaio · Superficie: zincato (blu) · Tipo di dado: Dado esagonale 0,5D · Guida: Esagono esterno · Tipo di filettatura: MF12x1 (filettatura a passo fine) · Altezza: 5 mm · Diametro nominale (filettatura): 12 mm · Classe di forza: 8 · Numero OEM Pony: A1720 · Numero OEM Pony: A4249 · Sachs OEM no.: 0242 124 000 · Sachs OEM no.: 0244 189 110
EUR 4.65
Piastra di bloccaggio M5 2 linguette
Materiale: Acciaio · Superficie: zincato (blu) · Dimensione della filettatura: M5 · Diametro nominale (filettatura): 5 mm · Numero di lobi: 2 Stk · Ø interno: 5.3 mm · Ø esterno: 10 mm · Spessore: 0.5 mm · Lunghezza totale: 8 mm · Lunghezza 2: 16 mm · Larghezza: 6 mm · Larghezza 2: 6 mm
EUR 1.45
Piastra di bloccaggio M6 2 linguette
Materiale: Acciaio · Superficie: zincato (blu) · Dimensione della filettatura: M6 · Diametro nominale (filettatura): 6 mm · Numero di lobi: 2 Stk · Ø interno: 6.4 mm · Ø esterno: 12.5 mm · Spessore: 0.5 mm · Lunghezza totale: 9 mm · Lunghezza 2: 18 mm · Larghezza: 7 mm · Larghezza 2: 7 mm
EUR 1.90
Piastra di bloccaggio M8 2 linguette
Materiale: Acciaio · Superficie: zincato (blu) · Dimensione della filettatura: M8 · Diametro nominale (filettatura): 8 mm · Numero di lobi: 2 Stk · Ø interno: 8.4 mm · Ø esterno: 17 mm · Spessore: 0.75 mm · Lunghezza totale: 11 mm · Lunghezza 2: 20 mm · Larghezza: 8 mm · Larghezza 2: 8 mm
EUR 2.30
Piastra di bloccaggio M12 2 linguette
Materiale: Acciaio · Superficie: zincato (blu) · Dimensione della filettatura: M12 · Diametro nominale (filettatura): 12 mm · Numero di lobi: 2 Stk · Ø interno: 13 mm · Ø esterno: 24 mm · Spessore: 1 mm · Lunghezza totale: 15 mm · Lunghezza 2: 28 mm · Larghezza: 12 mm · Larghezza 2: 12 mm
EUR 3.45








