
Galvanized lock washer with 2 tabs for securing nuts and bolts.
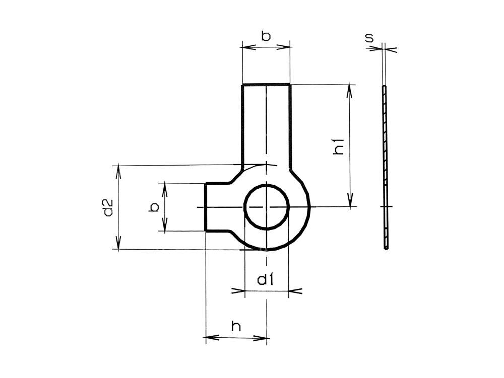
Take the following measurements from figure 2:
| Material | Steel |
| Surface | galvanized (blue) |
| Ø outside | 12.5 mm |
| Ø inside | 6.4 mm |
| Number of lobes | 2 pcs |
| Total length | 9 mm |
| Thread size | M6 |
| Thickness | 0.5 mm |
| Width | 7 mm |
| Length 2 | 18 mm |
| Width 2 | 7 mm |
Explore categories from Screws & fastener sets
Moped fans also bought
GPO 15 mm carburetor tuning | Puch
Manufacturer: GPO · Material: Aluminum · Camouflaged: No · Component group Carburetor: Carburetor complete · Area of application: Tuning · Carburetor type: SRE · Nominal diameter: 15 mm · Nozzle thread: M3.5x0.6 (standard thread) · Ø fuel hose connection: 6 mm · Total length: 66 mm · Mounting type: Plug connection clamped · Nozzle size: 62 · Ø Inside entrance: 15 mm · Ø Internal connection: 20 mm · Ø Output inside: 15 mm · Ø Air filter connection: 20 mm · Width: 50 mm · Height: 95 mm · Mixed oil connection: No · Vacuum connection: No · Choke control: Hand choke · Nozzle block: 2.17 · Clamping screw torque (max.): 4 N/m
EUR 75.40
swiing® ingenious clutch springs reinforced (+20%) | Puch E50
Spring design: Pressure spring · Ø wire: 1.7 mm · Manufacturer: swiing® ingenious parts · Material: Spring steel · Area of application: Tuning · Color: blue · Surface: coated · Total length: 28 mm · Ø inside: 4.8 mm · Number of components: 3 pcs · Ø outside: 8.3 mm
EUR 20.80



