
Verzinktes Sicherungsblech mit 2 Lappen zur Sicherung von Schrauben und Muttern.
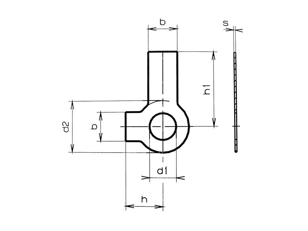
Entnehme die folgenden Masse auf Abbildung 2:
| Material | Stahl |
| Oberfläche | verzinkt (blau) |
| Ø innen | 13 mm |
| Gewindegrösse | M12 |
| Gesamtlänge | 15 mm |
| Dicke | 1 mm |
| Anzahl Lappen | 2 Stk. |
| Ø aussen | 24 mm |
| Breite | 12 mm |
| Länge 2 | 28 mm |
| Breite 2 | 12 mm |
Entdecke Kategorien aus Schrauben & Verbindungselemente Sets
Mofa-Fans kauften auch
Meteor Kolben 38 mm #C | Sachs 503 AB/AC
Nenndurchmesser: 38 mm · Hersteller: Meteor · Ø aussen Kolben (A): 37.98 mm · Kompressionshöhe (C): 28 mm · Wölbung (D): 2 mm · Gesamthöhe Kolben (E): 51 mm · Anzahl Kolbenringe (F): 1 Stk. · Kolbenringform: Rechteck-Ring · Kolbenringstoss: Innensicherung (IS) · Höhe Kolbenring: 1.5 mm · Ø Kolbenbolzen (B): 12 mm · Toleranzgruppe: C · Gewicht Kolben-Kit: 75 g · Pony OEM-Nr.: A5685C · Sachs OEM-Nr.: 0286 382 306
EUR 65.00
swiing® revival Ritzelbefestigung M12x1 (Mutter & Federscheibe) | Sachs / Hercules
Hersteller: swiing® revival parts · Material: Stahl · Oberfläche: brüniert · Oberfläche: verzinkt (blau) · Mutternart: Sechskantmutter 0.5D · Höhe: 5 mm · Antrieb: Aussensechskant · Gewindeart: MF12x1 (Feingewinde) · Festigkeitsklasse: 8 · Pony OEM-Nr.: A1720 · Pony OEM-Nr.: A4249 · Sachs OEM-Nr.: 0242 124 000 · Sachs OEM-Nr.: 0244 189 110
EUR 4.55
swiing® revival Silentblöcke Alu Racing | Sachs 503 / 504 / 505 / 535
Nenndurchmesser innen: 8.5 mm · Hersteller: swiing® revival parts · Ø innen: 8.3 mm · Ø aussen: 21.95 mm · Gesamtlänge: 13 mm · Material: Aluminium · Oberfläche: eloxiert · Ø Bund: 26 mm · Alternative Ausf. der Pony OEM-Nr.: A4286 · Alternative Ausf. der Sachs OEM-Nr.: 0251 121 000
EUR 27.80




